Avantages

- Fonction de guidage et de sécurité
- Contraste visuel par un laquage de qualité
- Installation rapide et simple grâce à l'écuyer pince
- Finition sans surépaisseur
- Produit breveté
- Compatible avec la gamme Marchenet® (nez de marche, bandes de contraste visuel, dalles podotactiles) et balcon Panorama® (garde-corps aluminium pour toiture-terrasse et balcon)
Présentation
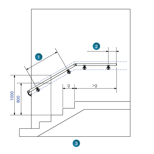
Ariana® est un système de main courante en aluminium sur écuyer conçue pour guider et sécuriser le franchissement des escaliers, des rampes d’accès et des couloirs.
Simple à poser grâce à l’écuyer pince et aux accessoires d’assemblage, le dispositif offre une finition sans surépaisseur et très esthétique.
Conformité aux exigences nominatives
Dans le cadre d’une utilisation en ERP, le système Ariana® permet la mise en conformité avec les normes d’accessibilité PMR.

Modèles de main courante

Ariana® se décline en trois modèles de main courante aluminium :

Accessoires
Les profils sont accompagnés d’accessoires de jonction, d’angle et de terminaison, garantissant une continuité parfaite sans gêne au toucher.
Les bouchons en aluminium sont laqués dans la même teinte que la main courante.
- Bouchon
- Main courante
- Jonction droite
- Vis autoperceuse fournie
- Jonction angle variable
- Jonction angle variable pour rampant

Exemple d'accessoires types pour main courante 50 x 22 mm
Ecuyer pince : fixation rapide et esthétique

Le système d’écuyer pince Ariana® assure une pose rapide, sûre et esthétique.
• Blocage par vissage, sans perçage
• Pas de surépaisseur
• Pas de rayure
Finition et teintes
Le laquage Danilac®, réalisé dans nos ateliers, garantit :
• Une uniformité de teinte et une tenue durable dans le temps
• Un large choix de 350 coloris RAL et textures
• De nouvelles teintes à effet matière (minéral, bois, métal) pour une intégration harmonieuse aux façades, sur demande.
Consultez notre nuancier Danilac® en ligne ou contactez notre équipe technico-commerciale pour une recommandation adaptée à votre chantier.

Produits associés
Panorama®
Garde-corps à remplissage décoratif filant pour toiture-terrasse accessible et balcon.
- Remplissage décoratif (Vision, Air, Décor) filant masquant les montants
- Finition esthétique avec un large choix de modèles (Toute hauteur, Vide sous main courante…) dans plus de 350 teintes (RAL, fines textures, sablées)
- Livraison sur mesure avec plan de calepinage
- Assemblage pratique et rapide grâce aux remplissages décoratifs prémontés en usine

Marchenet®

Solutions pour l'accessibilité aux personnes à mobilité réduite (PMR)
- Nez de marche haute résistance mécanique, non corrodable, antidérapant, facile d'entretien, protection de l'escalier
- Mise en conformité des escaliers aux normes d'accessibilité conformément à l'arrêté du 01/08/2006 et à la circulaire n° DGUHC 2007-53 du 30/11/2007
- Installation en extérieur et intérieur
- Gamme de produit comprenant Marchenet - Nez de marche (strié / avec bande antidérapante), Marchenet - Bande de contraste visuel pour contremarche, Marchenet- Dalle podotactile
Systèmes de solins en aluminium
Systèmes de bande de rive et de rehausse d‘acrotère
Système de rehausse d’acrotère et de bandeau de façade
Systèmes de couvertine en aluminium
Système de collecteur et de descente d'eau pluviale
Bandes et boîtes pare-gravier
Système de protection mécanique des joints de dilatation pour parkings étanchés
Système d’arrêt de revêtement de chaussée et d’assise de caillebotis
Système de structure support pour équipement technique en toiture-terrasse
Système de support lesté pour équipement technique en toiture-terrasse
Système de structure support en toiture terrasse
Système lesté d’habillage de machines pour toiture-terrasse
Système de garde-corps de sécurité pour toiture-terrasse inaccessible au public
Système de garde-corps de sécurité pour toiture-terrasse inaccessible au public
Système de garde-corps de sécurité pour toiture-terrasse inaccessible au public
Structures supports pour panneaux solaires
Échelles à crinoline et sauts de loup
Chemin de circulation et d‘évacuation
Système de balisage en toiture-terrasse technique
Garde-corps à remplissage décoratif filant
Garde-corps à remplissage décoratif filant
Support de garde-corps barreaudé toute hauteur
Garde-corps en verre au design épuré
Ariana
Séparatif pour balcon et toiture-terrasse
Système de rejet d’eau pour façade et nez de balcon
Système d‘évacuation des eaux de balcon
Système d’habillage réglable pour la protection de nez de balcon
Système sur mesure pour la protection de nez de dalle
Profilés pour arrêt de carrelage et protection de nez de balcon
Système d'arrêts d'étanchéité et de protection des nez de balcon
Système de recouvrement de joint de façade
Système de profilés réglables pour départ d‘isolant de façade
Système de barre d’appui
Système d’appui de fenêtre
Système d’appui de fenêtre pour façade isolée
Système d'appui de fenêtre pour construction à ossature ou bardage bois
Solutions pour l'accessibilité aux personnes à mobilité réduite (PMR)
Systèmes de drainage des eaux d’enrobés
